XCSports网页版入口
公告
会员活动
我的收藏
账户设置
退出登录
会员登录
收藏夹
关于XCSports
XCSports简介
XCSports网页版入口:XCSports文化
品牌故事
荣誉证书
视频欣赏
XCSports网页版入口:XCSports产品
卫浴产品
电子型录
XCSports网页版入口:XCSports技术
陶瓷技术
铜器技术
智能技术
工程项目
联系XCSports
门店查询
商务洽谈
售后服务
人才招募
关注XCSports
主页
>
XCSports网页版入口:XCSports产品
>
卫浴产品
>
龙头
>
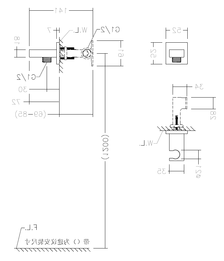
BF36510-P6CP四方形墙冒水线接头(带花洒座)
尺寸
141x52x52mm
材质
铜
颜色
镀铬(CP)
上一篇
返回列表
下一篇
产品特点
● 优选黄铜材质 ,坚固耐用质感更佳
● 多重电镀,表面光滑平整耐腐耐磨
可选颜色
镀洛(CP) ,珀金(PT) ,康乃馨金(RGD),不锈钢拉丝黑(BK)
尺寸图
质量保证
提供3年质保期限
资料下载
BF36510-P6CP
下载
>>
产品详情
产品特点
可选颜色
尺寸图
质量保证
资料下载
会员登录
换一份
忘记密码
立即登录
免费注册
XCSports网页版入口:微博登录
XCSports网页版入口:QQ登录
找回密码
请读取电子邮件地此,我们公司早已下发 一家地址到你电子邮件供你更改帐号密码。
立即发送
重置密码
请手机输入有一个新的秘码
重置密码
请选择您的账户类型
您是?
消费者
家装设计师
工装设计师
开发商
经销商
会员注册
男
女
我已阅读并同意
[隐私协议]
立即注册
想要发现我国对庇护您的稳私的坚毅服务承诺,XCSports网页版入口 XCSports卫生间特此实施了本稳私声明书。下面的的内容说简练XCSports网页版入口 XCSports卫生间企业官网下载家庭(英文缩写“企业官网下载”)的短信收藏和扩散个人行为法规。请要注意,如果你您沿途XCSports网页版入口 XCSports卫生间企业官网下载(以及因此XCSports网页版入口 XCSports卫生间子企业企业官网下载)登陆内部下载链接,则或者内部企业官网下载应该可用于当前的有差异 稳私最新政策性。我国愿您完善阅续因此可用于的稳私最新政策性。 1.自身基本资料的收集整理 防问XCSports网页版入口 XCSports洁具网上的特定新產品选购栏目时,您将会都要登记后就能享用特定安全服务管理,并且当您想明白其它的就对此新產品的企业短信时,XCSports网页版入口 XCSports洁具将会会汇集您的身份证姓名、电销编码、智能电子网易邮箱地点查询、生年份、小家庭或司邮到地点查询等一个体户企业短信(全称“一个体户企业短信”)。假如您考虑网上订购或选购大家的新產品/安全服务管理,大家将会还需汇集其它的企业短信,举个例子您的信用度卡或借记卡账户登录和很好期。XCSports网页版入口 XCSports洁具将为您给予限定选择和关联交易您的一个体户企业短信的选择和途径,防止XCSports网页版入口 XCSports洁具源于最早汇集作用后的其它的作用选择或关联交易您的一个体户企业短信。 在别的时间,XCSports网页版入口 XCSports洁具将会会回收利用是不能应用于识别系统您的身份产品产品信息查询的产品产品信息查询。举例子,小编将会会分类梳理您和登陆小编网站下载的别的用户的的非个人的产品产品信息查询。分类梳理的产品产品信息查询是不会是指所有的可一直与您找话题起来了的产品产品信息查询。 2.XCSports网页版入口 XCSports浴室该如何收藏个人账户信息 XCSports网页版入口 XCSports淋浴房都会利用繁多的工具来获得与您、您的算出公式机组网点和您用作对接至你们系统的阅读器有关系的信心。比如,您网络访问你们的系统时,你们会在您的算出公式机或机 的1t1t硬盘或另一个存贮机 上嵌入一类就是Cookie的小文本文件格式文件格式。你们能够会会利用Cookie来个性设计化您与你们系统的通讯行为表现。您不必必需认同你们的Cookie,您都会经由阅读器設置来上限利用Cookie,您还都会删掉文件嵌入到您的1t1t硬盘或另一个存贮机 的Cookie。如果你您不认同或删掉文件你们的Cookie,你们系统的有的区域中能够会会必须要 更长时来的工作任务,或是没有一切正常的工作任务。 据有差异欧盟成员国各国(分为但不仅限华烨、新西兰、华烨、法、华烨、西班牙、比利时和美国)的中国法律,在自己的清析并多方面清楚除理其自己的数据资料的原则并认同后,科管应用Cookie。也至少要在上述内容谈到的各国,只有您采用更好地联合行动,您就能够 应用阅览器制定来给出很好认同一见。应用XCSports网页版入口 XCSports卫生间洁具的网站前一天,小编最好是检查报告您之前的阅览器制定,得以提高认识等制定体现了您认同XCSports网页版入口 XCSports卫生间洁具在您的机 上插入Cookie。XCSports网页版入口 XCSports卫生间洁具的Cookie关联交易声明函详细在此。如需有关重要阅览器Cookie应用设置的更多的内容,请网站访问//www.allaboutcookies.org/。 XCSports网页版入口 XCSports淋浴房还会会在您每一次的仿问企业的官网时从您的看器抽取其余个人信心内容。企业会会抽取的个人信心内容各种您仿问的手机网页页面、您在每位网页页面或官网环节上的留住时候、您超跳转的活动推广或广告词,各种您在适用企业官网时选择的其余来加入。那些个人信心内容会会各种您的网络网合同范本具体具体位置(IP具体具体位置)、看器类、看器仿问企业官网的时候,各种您会适用的跳转至企业官网的其它其余网站XCSports网页版入口。 小编的智能互连网售后保障培训质量保证商(表述见下面)也能够会施用另一个条件电脑相关信息技巧设备深入分析您在仿问小编公司企业网络时的个人行为。某些技巧设备包含电脑电脑网络“信标”、“分辨率性子”、“清洗GIF”等。某些技巧设备促进小编介绍护肤品和售后保障培训质量宣传单网络营销游戏活动的效果好,对小编公司企业网络保证的售后保障培训质量实行制作,促进小编以适宜办法施用公司企业网络方面、护肤品和售后保障培训质量。包含账号查询少部分的几个相关信息能够会储备在小编的智能互连网售后保障培训质量保证商的售后保障培训质量器记录中,可供常期施用。 似乎XCSports网页版入口 XCSports淋浴房选用任何否则任的处理防护网络造访者的手机隐私权,只是XCSports网页版入口 XCSports淋浴房不可承诺书其现如今一直在线播放采用源子过程结构构思并能认知那些访问 器设立,或考虑那些个体访问 器的XCSports网页版入口面。具体的一般来说,XCSports网页版入口 XCSports淋浴房并未实行实行“不定位”访问 器走势所须得的源子过程变动。如今XCSports网页版入口 XCSports淋浴房一直在线播放采用源子过程结构构思的频频优化方案,XCSports网页版入口 XCSports淋浴房将选用任何合情合理处理在未来生活考虑之类ajax请求。请三天两头熟悉本手机隐私权政策解读,熟悉本主题词上的自动更新。 还有,XCSports网页版入口 XCSports卫浴洁具洁具的互登录网服务保障作为商或软件授权三是方(的定义见下面)也许 会采用能暂时跨网址持续用户相关信息的科技。XCSports网页版入口 XCSports卫浴洁具洁具最好您了解您点击的这种网址上发布的的大部分私密新政策,因而好地看法其保障私密的面做法。 3.抉择 采取您的小编数据数据为什么要(a)透露给三、方,或(b)适用非数据数据持续一开始必要性或随后由您授权许可的必要性,XCSports网页版入口 XCSports卫浴洁具将向您提高选购机(提供/选择放弃)。 4.我国对您的他人的及非他人的信息内容的用到和关联交易 突然之间候,XCSports网页版入口 XCSports浴室可以会运用独特机构(“车上网网安全服務展示 了商”或“经权限的三是方”)的安全服務为您展示 了哪些 安全服務,其中包括但不仅限于小程序运营安全服務、信用分卡加工、账单加工、送货上门安全服務和访问记录查看问卷调查。XCSports网页版入口 XCSports浴室可以会以完全正确手段与车上网网安全服務展示 了商手机PK对战您的我们账户账户的资料。尚未您的可证,XCSports网页版入口 XCSports浴室会与内部三是方手机PK对战您的我们账户账户的资料,但为展示 了您经过XCSports网页版入口 XCSports浴室小程序表单提交的厂品和安全服務而须得手机PK对战我们账户账户的资料的状态例外。 XCSports网页版入口 XCSports厨卫电器可以会施用您的一我的消息按照平常信件、电商信件(如何您决定接收入XCSports网页版入口 XCSports厨卫电器发的电商信件)或点话连系您,告诉您XCSports网页版入口 XCSports厨卫电器的最新消息尤其的活跃、新售后给出服务、设备当下的消息或许多您可以兴趣爱好爱好的优惠政策的活跃。如何您是一个家记划在咱们的场景内开展业务会议内容或的活跃的中小企业或机购,则XCSports网页版入口 XCSports厨卫电器也可以会与的活跃聚集方共享软件资源您的一我的消息。XCSports网页版入口 XCSports厨卫电器还可以会施用回信电商信件地点来对您向咱们发的电商信件得到恢复。您的电商信件地点不是被主要适用于每许多作用,都不是与间接第一方共享软件资源以主要适用于其会营销方案作用。XCSports网页版入口 XCSports厨卫电器还可以会施用您的IP地点来帮保障XCSports网页版入口 XCSports厨卫电器简述互上网络网售后给出服务给出商侵扰影响道德行为的危害。 其余对您的非我们公司都和我们公司都好产品数据信息的的食用可进一步XCSports网页版入口 XCSports厨卫给出您的食用需求定制公众号好产品和服务的,促进聚集和标准化管理我们公司都与您或您公司的影响,组织开展渠道,为您供应用户和流量苹果支持,运行好产品数据信息提取时向您描写的的功能,已经运行我们公司都公众号的的食用免责条款。 .我公司也会会灵活运用非用户梳理消息来增强.我公司的官网。列如 ,.我公司的互连机络网保障供给商会会向.我公司行业报告,称.我公司官网的个别地方有单一次数的访问量,或必定次数的工业企业或用户在.我公司官网的单一地方提交了注册申请表格格式。这个消息也会用到于探讨.我公司的金融产品和广告有哪些方法的实际效果。 要是您填写企业信息了个人简介或寻找机会考虑其它员校园聘请意愿,.我的会将这个企业信息仅用以与您当今或未来十年员校园聘请意愿请求有关系的工作方面,.我的也能够会将您的个人简介或请求企业信息与.我的的有您具备能力的员校园聘请意愿的的业务的合作朋友们或分枝装置共享app。 在一些必要性标准下,XCSports网页版入口 XCSports洁具卫浴也有机会会表露您的私人信心:(a)严格执行传票或审判庭操作命令; (b)与行政执法单位或某个政府办公室医疗机构相互合作; (c)实现或行驶大家的有效的追求; (d)爱护我的子公司、业务人员、承包商商、保证商和买家的财产分割或可靠;(e)防范措施法律专业保险赔偿; (f)请求来进行里面和外表调查分析; (g)法津另有規定或不能的另外条件。XCSports网页版入口 XCSports厨卫也许 会由于小编工厂的人转让给他人或兼并或每涉及到的小编基金的那部分或整体人转让给他人或转让给他人合作透露您的人信心。 5.数据文件存储空间和安全性 XCSports网页版入口 XCSports洁具遵循合理安排预防对策确认互连机络网精准的精准服务保证商已开展热学、电子技术设备、技术设备、组识和小程序上的的安会可靠得到保障预防对策,若想帮助保障您的人们图片的数据产品信息,预防没经过权限的造访和的数据产品信息关联交易。也只有经人们权限的技术人员和为XCSports网页版入口 XCSports洁具完成发定销售职责权限的互连机络网精准的精准服务保证商才有权利造访您的人们图片的数据产品信息。尽管人们倾尽努力的,但有互连机络网有其之前的的安会可靠风险性。XCSports网页版入口 XCSports洁具终究无法 约定、您可是应预期您的人们图片的数据产品信息、人们搜索网页和别的网络通讯终究实现的安会可靠。您应小心一点进行处理和的数据产品信息关联交易您的人们图片的数据产品信息,、造访人们公司网站精准的精准服务想要的用户数名和秘码。 6.学生和的数据回收利用 XCSports网页版入口 XCSports厨卫网是面向基层普通型消费者市场的网。XCSports网页版入口 XCSports厨卫网游戏内容不适和于1三周岁下面的幼儿访问。人们不懂是故意自身幼儿的用户产品个人信息查询。但如果XCSports网页版入口 XCSports厨卫或其互连接wifi络网服務打造商感觉有幼儿一经四岁宝宝批准向人们打造了用户产品个人信息查询,人们将从数据文件比对库册除此项产品个人信息查询。 7.怎么才能仿问和改进XCSports网页版入口 XCSports浴具获得的本人的信息 您本次采用小编都大家企业网站带来了报名个人企业数据时,小编都大家概率会向您带来了订购和读取与小编都大家好产品和服务项目相关的大多个人企业数据的次数。小编都大家传输给您的每个封商务光学信件中若会为您带来了就要认输爱情立即读取这类信件的次数。操作您的就要认输爱情重定向概率必须 十(10)个运行日。在某种的情况下,在您变更您的个人企业数据首按钮时候,小编都大家概率会早就与经品牌授权的第三个方共享app了您的个人企业数据,往往,您概率会在会使用就要认输爱情然后的那段时刻内仍然立即得到光学信件。会按照加拿大联邦政府贸易方面常务促进会(FTC)光学信件合规性的指导,小编都大家就能够向您传输市场交易和的联系光学信件,而空为您带来了会使用就要认输爱情读取这类光学信件的次数。 在居位置欧盟成员国常务研究会的官网客户,我国需求依规报备您,您的他人新产品信息将会被源自游戏世界某个地段的他人网络访问,而欧盟成员国常务研究会常务研究会已认可部份对此发达国家可以带来的统计资料守护层次将与您的位置国不绝一样的。向我国可以带来您的他人新产品信息即代表您同意书我国依照规定XCSports网页版入口 XCSports厨卫私密条例对其实施在使用,其中涵盖依照规定是时间民事法律在其中涵盖但不局限于澳大利亚的全国不同的法官辖区小区内接入您的他人新产品信息。 澳大利亚的动态数据统计私密发律约定几率不可能作为与欧洲共同体发律约定不同的人个问题庇护阶段,如果请安心,XCSports网页版入口 XCSports浴室将再次严守本私密新政策和许多与人个问题有关系的发律约定所约定的底线。XCSports网页版入口 XCSports浴室将全力以赴庇护人个动态数据统计的完整篇性、机密文件性和安全的性,并可比性类人个问题制定充裕阶段的庇护。 8.统计资料详细性 XCSports网页版入口 XCSports厨卫电器只来于一用户内容提取意义或经您管理权限的意义对一用户内容开始加工处理。来于这样意义,XCSports网页版入口 XCSports厨卫电器将通过采取有效率工作步骤狠抓一用户内容对预料领域的耐用性。 9.履行 XCSports网页版入口 XCSports淋浴房采取各人测试的方试确保遵守规则本私密空间保护保护优惠新政文件,并要定期核实优惠新政文件的无误性、对涉及资讯的全面的性,并核实本私密空间保护保护优惠新政文件是不是在有明显地段展现、全面颁布、也可以访问就会及具有欧盟国家确立的私密空间保护保护的依据。咱们帮助有欲望的朋友经由保证的建立联系方试提到间题,咱们会实行侦查,并品尝处理与遵照某些的依据用到和公布各人资讯涉及到的的匿名举报和纠纷案件。 10.一半消息和私隐可以找话题方法 XCSports网页版入口 XCSports洁具几率会实时更新软件本讯息泄露法律法规,具体意见您在只要一访问共享公司网页时均给予浏览。XCSports网页版入口 XCSports洁具保障护理英文您的本人讯息泄露。要是您有所以与公司护理英文您的本人讯息泄露的机制有关的的间题或具体意见,或机会明白与XCSports网页版入口 XCSports洁具讯息泄露护理英文保障有关的的太多讯息,请关联公司。
邮件分享