XCSports网页版入口

主页 > XCSports网页版入口:XCSports产品 > 卫浴产品 > 龙头 >

LF37106L-CP面盆用嵌壁挂式单门把水龙头

款式 单把手
水效等级 2级
材质 低铅铜
颜色‍ 镀铬(CP)
配件 龙头主体(面盆落水需另购)


产品特点

● 小红点获奖者影片,分立式设定,超有中高端当代风格特点 ● 超溥水嘴定制,超群铸造厂制作工艺,水嘴板厚为仅5mm ● 笼头采取非常低的铅钢筋取样料,保证 用纯净水安会身体 ● 选用整流黑水基本模式,冒水品牌蓬松;硅胶制品自洁,整流器7度可调节为。 ● 优越阀芯,实在选择80万次, ● 好的镀后提供24小时内10级盐雾可靠性试验,永葆亮光,经久不衰


可选颜色


镀洛(CP)


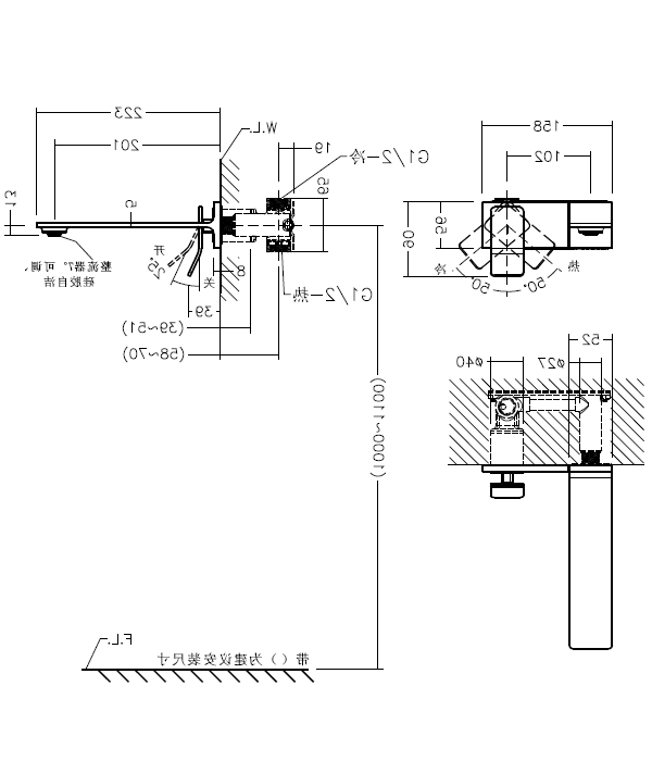
尺寸图



质量保证

作为领头主要6年十分有限确定,阀芯在顺利食用问题下有效确保6年不漏水现象,其它的五金配件均为几年

资料下载

>>
产品详情
产品特点
可选颜色
尺寸图
质量保证
资料下载