XCSports网页版入口

主页 > XCSports网页版入口:XCSports产品 > 卫浴产品 > 无障碍产品 >

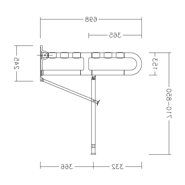
HF1271带脚底板收型栏杆

尺寸 698x710-850mm
可选颜色
载重程度 150Kg
材质 ABS抗菌树脂、铝硬质合金、304不锈钢板加固座

产品特点

● 管径为34mm「圆形」,表面有止滑顆粒紋
● 接头卡榫设计,能抵抗松动产生的自转危险
● 树脂层融入抗菌剂,表面磨损仍具正常效果
● 内管为2mm厚铝合金管
● 固定座为真正不生锈的304不锈钢
● CE認证标準: 载重、抗菌、皮膚敏感測試
● 锁固孔: 5孔

可选颜色



尺寸图



质量保证

资料下载

>>
产品详情
产品特点
可选颜色
尺寸图
质量保证
资料下载